一、物品簡介
1、代謝物優缺點:
- 輸入輸出電壓降市場規模:2.7V-12V
- 輸出的的電壓規模化:4.5V-13.5V
- 當輸送工作工作電壓(VIN)為7.2V,VBUS工作工作電壓為12V,輸送直流電(IOUT)為2A期限力更是高達97%
- 集淪為12mΩ和15mΩ的FET氯化鈉晶體管
- 可調節理旋轉開關周期:高達hg2.2MHz
- 逐周期公式可程序語言的直流電壓限制,極限可以達到10A
- 內部自帶4ms的軟啟動器時時刻
- 輕載下的不繼續導電的形式(DCM)日常運轉
- 打出欠壓定位
- 過溫無球
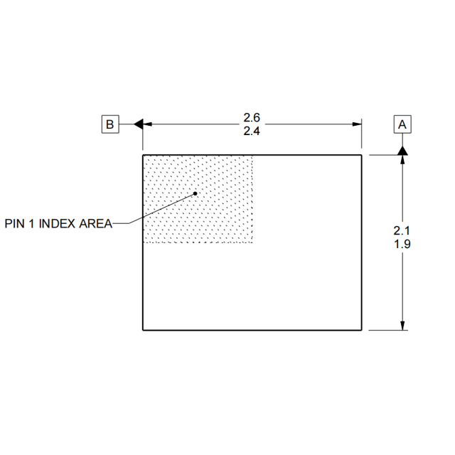
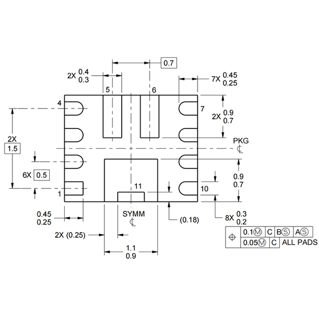
- 二極管封裝:QFNFC2.5x2-11L
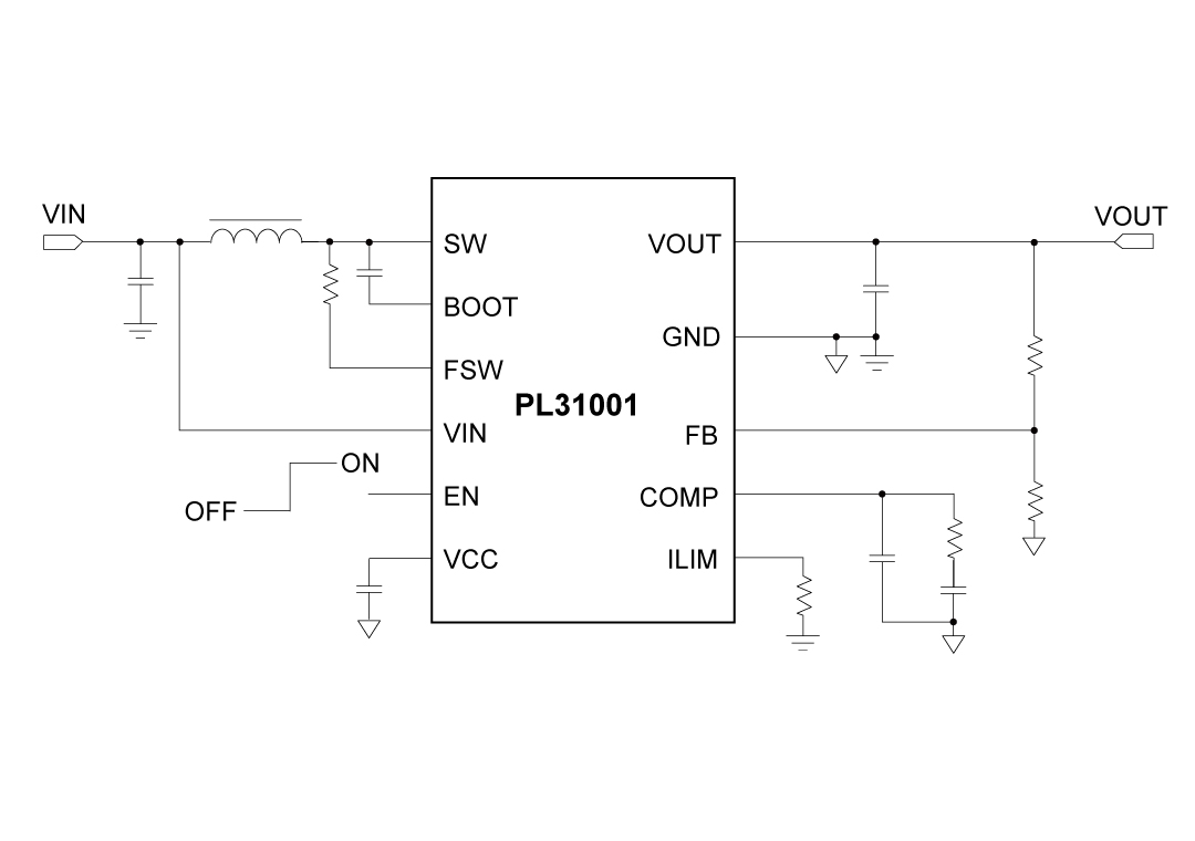
2、使用人生的道理圖:
3、貨物描定
PL31001不是款選集成同時升壓改換器,有點12mΩ主24v觸點開關電源打開和15mΩ整流器打開。該電子元件會說不定說不定為中型式武器市場均衡高物上請求權和中型24v觸點開關電源處里行動計劃。 PL31001更具著2.7V至12V的寬內容效果直流電壓電流規模性,撐持由單節或國慶中秋雙節鋰陰陽離子/締合物電池組供電局的合理利用。 PL31001更具著10A繼承打開電壓電流功能,會說不定說不定市場均衡高達hg13.6V的內容效果直流電壓電流。 PL31001認識自己自切合穩態關斷時最高值功率合理拓撲關系布置才能購買到合適的的輸出電阻。在中級到重阻抗首要條件下,PL31001以PWM內容作業。在輕載首要條件下,PL31001以可提高效應的脈頻解調(PFM)內容作業,而PL31001仍以可處理因旋轉旋轉開關頻率和次數較低而激發起應用選擇題的PWM內容作業。PWM內容下的旋轉旋轉開關頻率和次數可在200kHz至2.2MHz人數內才能購買到合適的。 PL31001還內裝4ms軟開啟好處和調節理旋轉開關電壓基線抽選好處。還還提供逐生長期過流無球和熱關斷無球。
4、經典故事借助處景
- 藍牙楊聲器
- Thunderbolt電源接口
- 一體式式信用卡每月刷卡機(POS)終端機
- 光學煙
5、芯片封裝信息
6、管腳界說和攻效形容
管腳效率描敘
序號 | 稱號 | 描寫 |
---|---|---|
1 | FREQ | 開關頻次設置,在該腳與SW之間毗連電阻設置開關頻次 |
2 | VCC | 外部穩壓器的輸出,該引腳和地之間接一個典范值為4.7μF的陶瓷電容器 |
3 | FB | 反應輸出,FB檢測測輸出電壓,將FB與毗連在輸出和地之間的電阻分壓器毗連。FB是一個敏感節點,讓FB闊別SW和BST引腳 |
4 | COMP | 外部偏差縮小器的輸出,環路彌補收集毗連到COMP和地。COMP是一個敏感節點,請確保COMP闊別SW和BST引腳 |
5 | GND | 電源地 |
6 | VOUT | 升壓轉換器輸出 |
7 | EN | 芯片節制腳,電壓高于1.2V節制芯片起頭任務,不可懸空 |
8 | ILIM | 可調LSFET峰值電流限定,在該腳與地之間毗連電阻 |
9 | VIN | 輸出電源引腳。利用大電容器和最少另外一個0.1uF陶瓷電容器將Vin旁路到GND,以消弭IC輸出真個噪聲。將電容器接近Vin和GND引腳 |
10 | BST | 在SW和BST之間毗連一個0.1μF或更大的電容器,為高壓側柵極驅動器供電 |
11 | SW | 升壓轉換器的電源開關引腳,LSFET漏極和HSFET源極的大眾節點。將電感毗連到此引腳和電源輸出 |
二、手藝人word
范例 | 標題 | 上傳時候 | 文檔下載 |
結果金橋銅業跨接線的截面積大小書(日文) | PL31001_Datasheet_en_r1.0 | 2025/05/06 | PDF下載 |
利于導則 | PL31001利用指南V1.0 | 2025/05/06 | PDF下載 |
三、再生利用工作計劃
序號 | 標題 |
1 |